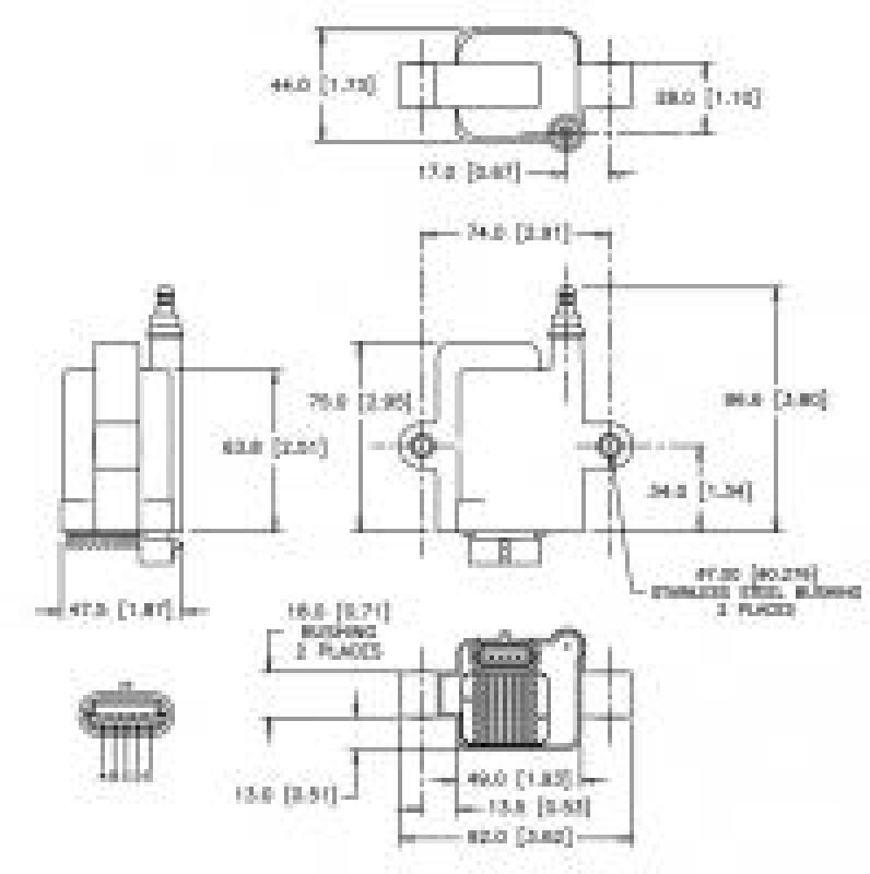
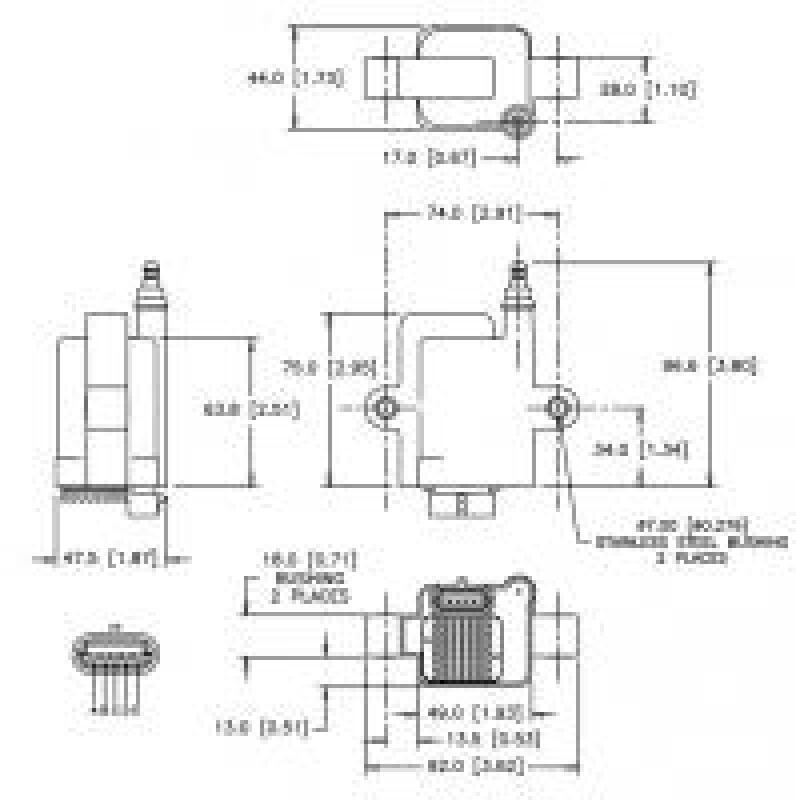
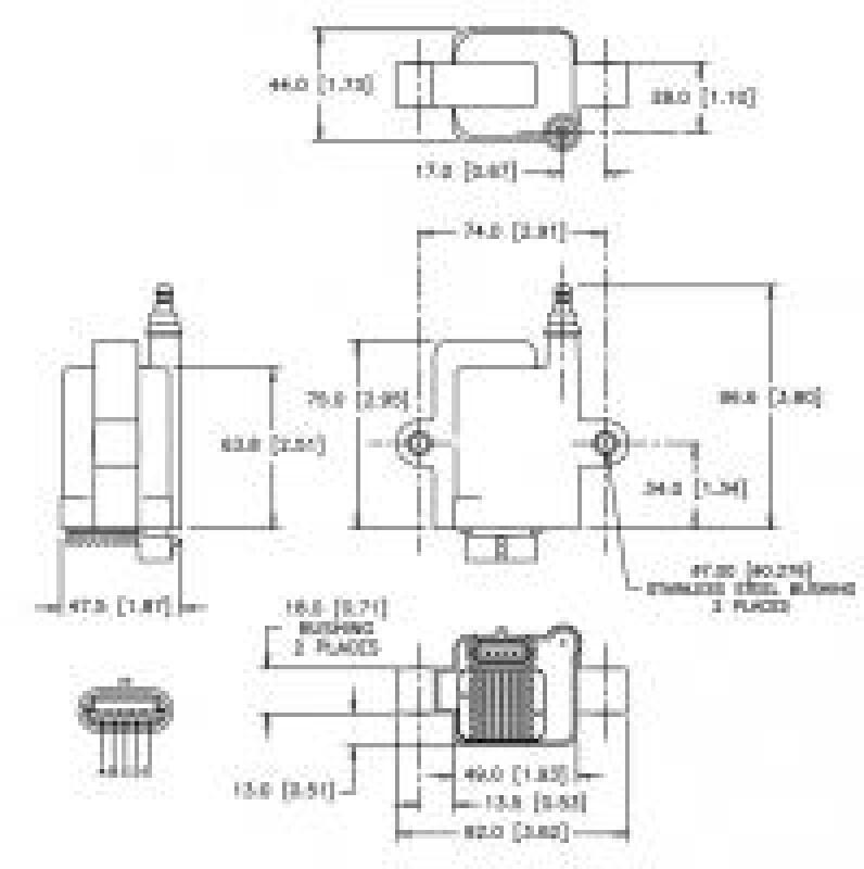
Auto enthusiasts who have forced induction engines, high RPM engines or run nitrous oxide are aware of the compromises that come with using inductive coils instead of converting to a Capacitive Discharge Ignition system (CDI). While inductive coils deliver a long spark duration with simplicity, they lack the energy to adequately ignite the mixture in the combustion chamber of a highly modified performance vehicle. Conversely, CDIs deliver an intense burst of spark energy, but with practically no spark duration, which makes having the proper air/fuel mixture in the combustion chamber paramount for best performance. This compromise ends with AEM's High-Output IGBT "Smart" Inductive Coils.
Inductive Smart Coil, Spark Energy up to 118 mJ!
IMPORTANT: AEM High Output IGBT Smart and Dumb Coils are intended for coil-near-plug use ONLY. They are NOT intended for use on distributed applications and AEM cannot guarantee or warranty the performance of its IGBT coils when used on distributed ignition vehicles.







